能量與智能的交響曲:AI GPU電源的突破性技術

breakthrough-technology-of-ai-gpu-power

人工智慧Artificial intelligence(AI)在過去幾十年取得了快速進步,並對全世界的影響與變化越來越深遠。AI帶來的影響也讓製造業從工廠端”自”動化到”智”動化。例如提高生產效力和品質改善製程,增加良率、降低成本、增強安全性和可靠性、精確預測維護需求、優化供應鏈管理以及提升員工工作效率等。AI能夠透過大數據並即時分析,自動調節生產設備運行參數,實現智慧化生產排程並有效提升整體製造過程的靈活性和反應速度。設計方面也可以用於改善決策創造新產品和服務。工作應用可以改變工作性質與簡化流程判斷失誤並減少業者損失。AI的演進與運算是勢在必行,但功耗也是隨之增加,所以在設計電源需有全盤考量到節能應用與高效設計。

 

AI GPU(Graphics Processing Unit) 的電源需求在低電壓、高電流的情況下,達成單位空間內的高運算密度整合及靈活的供電設計,這正是目前所需的解決方案。圖一即為針對目前模組對AI GPU路徑功耗問題,我們可以發現到若阻抗不降低, 隨著電流增高,在PCB電路板上的損失也是正比增加。

breakthrough-technology-of-ai-gpu-power 圖一 GPU在電路板上的功率損失

以目前AI GPU的算力集成密度與功率不斷的往上升,GPU電流需求將達到超過1000A,設計上我們會更考慮更短的路徑以減少不必要的功秏。因此會將供電端與GPU之間的距離減少(如圖二)。供電方式就是目前GPU在電源設計上的放置考量。

breakthrough-technology-of-ai-gpu-power 圖二 模組供電GPU阻抗比較分析

橫向供電LPD (Lateral power delivery)

800A以下的GPU採用橫向供電模組(圖三)來提供電力,至GPU在阻抗約有70uΩ。應用上搭配VICOR的電流倍增器MCM(Module current Multiplier)實現供電需求。MCM模組的高度接近GPU,並且在散熱設計上可與GPU同步散熱。電路設計將MCM模組放置於靠近GPU的側邊進行處理,同時減少電路板上的盲孔與埋孔設計,從而降低板材成本。LPD供電在支持加速器模組(OAM)卡及定製AI加速器供電需求和獨特封裝,並加強整合空間與算力密度。

breakthrough-technology-of-ai-gpu-power 圖三 橫向供電示意圖

垂直供電VPD (Vertical power delivery)

對於極高電流(>1000A)的方案,VPD垂直供電(圖四)絕對是最佳的選擇。將供電模組置於GPU底部,實現最短的供電距離,並將路徑阻抗相比於LPD降低約7到10倍。其優勢就是更能靠近GPU模組,讓高速I/O和記億體佈線時在電路板的上層並減少灌孔造成的阻抗,以增進傳輸效率。GPU與供電模組透過多層次盲埋孔技術加強電流的供應與密度,並大幅改良並降底等效阻抗,提升GPU性能。但因為需要盲埋孔並將孔洞電鍍填滿處理增加銅厚,在板材的成本較LPD還來的高。

breakthrough-technology-of-ai-gpu-power 圖四 垂直供電示意圖

前述的GPU供電方案基於Vicor的領先技術,使用的模組為 PRM (Pre-Regulator Module)與VTM (Voltage Transformation Module)的模組分比式電源設計(圖五),架構下可達成高於1000A的GPU供電需求。這兩個模組相互配合,每個裝置都可高效率發揮專業作用,實現完整核心電壓轉換功能。

breakthrough-technology-of-ai-gpu-power 圖五 分比式電源架構

PRM 使用獲得專利的零電壓切換 Zero Voltage Switch(ZVS) 升降壓穩壓器架構,提供高效率的升降壓穩壓和軟啟動;當輸入電壓等於輸出電壓時,可實現最高效率,最新的PRM峰值效率可達99.3%。

 

VTM電流倍增器是一款採用專有零電流切換/零電壓切換 Zero Current Switch (ZCS / ZVS) 正弦振幅轉換器 Sine Amplitude Converter (SAC) 的高效率變壓模組。其工作波形為純正弦,擁有純度高和共模對稱性等優勢。這些特性意味著它不僅不會產生典型 PWM 類轉換所具有的諧波含量,而且幾乎不會產生雜訊。控制架構將工作頻率鎖定至功率級諧振頻率,不僅支援高達 97%的效率,而且還可透過有效消除無功部分來最大限度降低輸出阻抗。這種極低的非感抗輸出阻抗使其幾乎可以瞬間響應負載電流的變化。

 

VTM 能夠以 3.5MHz 的有效切換頻率回應負載變化,即使變化時間小於1微秒也能快速反應。VTM 的高頻寬可取消對大型負載點電容的需求,即使沒有任何外部輸出電容器,VTM 的輸出在功率突增時,電壓擾動也會很有限。極少量的外部旁路電容(如低ESR/ESL陶瓷電容)足以消除任何暫態電壓過衝。

分比式電源的優勢

PRM與VTM的分比式電源架構,能與當前CPU、GPU與ASIC技術的快速發展同步,滿足大電流需求與高電源系統密度的要求。採用這些電源元件設計系統時,主要優勢包括CPU/GPU 節省基板空間銳減 50%以上並降低PDN成本。 PRM和數位控制器部置在不重要的電路板邊緣區域,可帶來佈線最大利用化的效能。還有簡化的 CPU I/O 路由安排。由於 VTM較低雜訊的效能,降低了在處理器的高速訊號線附近幅射佈置的風險(圖六)。

 

圖六左方為Multi-phase buck的幅射分佈,可以看到在電感與晶體上有高量的幅射而圖六右方VTM的幅射比較低,這就證明VTM的SAC弦波振幅切換比傳統的PWM控制還來的低幅射值。另外VTM 輸入與輸出可容易並聯,因此可滿足更高功率擴充的需求。電源系統PRM+VTM整體效率提供通常為90%到95%的48V對核心電源的輸出。效率越高,總體熱耗散就越低,這是電源系統設計中的另一個重要考慮因素。

breakthrough-technology-of-ai-gpu-power 圖六 Multi-Phase Buck converter 與PRM+VTM 的幅射比較

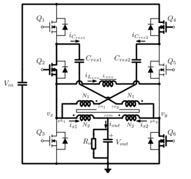
DC48V做為前端主要伺服器系統電供應,因此在GPU電源轉換中,另一種架構(圖七)為IBC (Intermediate Bus Converter)模組+Multi-phase Si buck converter。IBC為一個中線轉換器,在諧振轉換器中,開關頻率需要接近電感與電容諧振才能實現軟開關。此外,全部能量都透過變壓器傳輸,增加了整體損耗。如果沒有額外的補償工作,轉換器拓撲的效率會因零組件的誤差會有大幅變化,因此無法進行大規模生產。為了克服這些問題,一種基於 HSC (Hybrid switched capacitor converter)拓樸兩級諧振轉換器的新方法。如圖八所示,HSC 由 6 個 MOSFET 組成,分為兩個支路,透過兩個飛跨電容器和一個稱為多抽頭自耦變壓器的磁性元件連接。由 4個串聯的繞組而形成,共享同一個磁芯。利用磁化電感進行 ZVS (Zero voltage switch)操作可實現高頻操作與高效率的源轉換器。

breakthrough-technology-of-ai-gpu-power 圖七:IBC module + Multi-phase Si buck converter
breakthrough-technology-of-ai-gpu-power 圖八 HSC 拓寬架構

AI運算的發展離不開高效能GPU的支持,而這些GPU的穩定運行又依賴於先進的電源管理技術。隨著技術的不斷進步,電源管理技術將持續演進,茂綸代理並提供VICOR與RENESAS先進GPU電源方案為AI革命提供更加堅實的能源基礎。詳細內容請參閱官網應用。

參考資料

You may also want to know