新世代高速傳輸介面-USB4 概論

foaf:image

雖然COVID-19疫情蔓延,但宅經濟卻跟著起飛,有關居家辦公或者居家娛樂的產品前景一片看好。為了因應此波商機,USB4介面產品於2020年底問世;於此同時,4K及8K顯示螢幕也隨著潮流高速發展,在種種的推波助瀾下,疫情反而促成了人們可以在家享受比過往更精緻、刺激的視覺體驗。

 

於2019年下半年USB開發者論壇(USB-IF),發表新一代USB 傳輸應用規範USB4 (Universal Serial Bus Generation 4)。 USB4只採用USB Type-C連接器,USB4訊號採用Type C特有的雙通道傳輸方式與過去連接器如USB Type-A或Micro-B,僅支援單通道傳輸,差異相當大。(如下圖)

type-c
type-c

USB4 傳輸率最快可以到達40G (20Gbps x2),並透過Intel Tunneled相關技術可同時傳送 DisplayPort 影音與PCIE相關訊號,以及支援PD(Power Delivery)快充技術。將多種協議組合到單個物理接口,可以動態共享USB4架構的整體速度和性能。另外向下相容USB 2.0 與 USB 3.2 Gen1/Gen2及支援 Thunderbolt 3/4。

USB4 技術簡介

USB4 通道辨識定義

3.1.png
3.2.png

在USB4規格中,Sideband通道新增功能用以確認USB4介面是否連接、通道的起始與關閉、通道的初始化,以及進入或離開睡眠模式(如下圖)

foaf:image USB4 / TBT4 / TBT3 Pin out

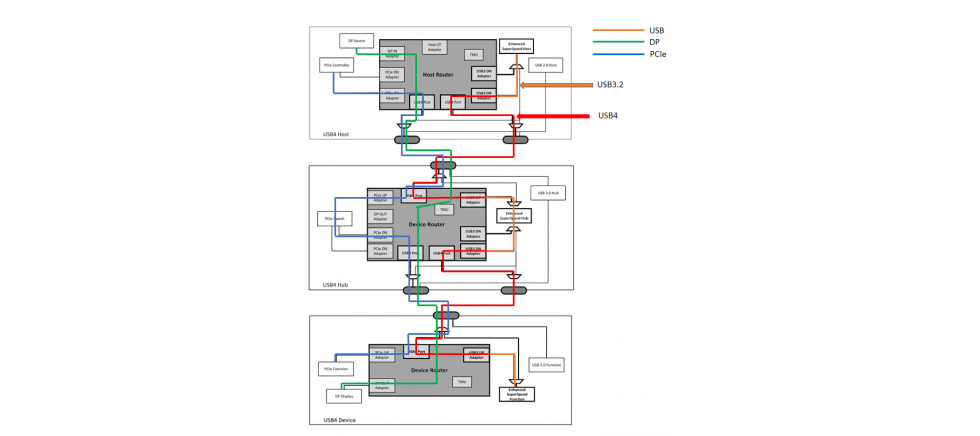
USB4 主要架構

主要構成元件有路由器(Router) ,適配器(Adapter),以及 TMU (Time Management Unit,時間管理單元)。

  • 路由器是 USB4 的一個主要建構模組,主要是將Tunneling Packet轉換成 USB4 封包傳送,並透過 TMU做時間同步。最後再由USB Host 內建的 Connection Manager 來偵測及管理。
  • 適配器是內建在路由器裡,主要功能為路由器與外部元件溝通的媒介,進行協定轉換。例如 USB4 Host在傳輸 USB3 資料 (如下圖),由內部 USB3 Host 透過 USB3 Adapter 進行協定封裝成 USB4 Tunneled Packet。
  • TMU 是內建在 路由器裡,使用分佈式時間管理單元(TMU),在路由器間做時間同步。
foaf:image

USB4 訊號以功能區分5個層級

foaf:image
  • Protocol Adapter Layer:主要是負責 USB4 與不同協議間進行對應,並把不同協議封裝成 Tunneled Packet,在 USB4 介面內做傳遞。
  • Configuration Layer:負責處理由 Connection manager 傳送來的控制封包(Control Packets) ,並附加路徑中對應的address,以確保其正確的傳送機制。
  • Transport Layer:主要是定義封包格式、路徑、流量控制與時序控制,並產生 link management Packets 以提供時間同步封包 、流量控制封包…等。
  • Logical Layer:負責建立 2 個裝置之間的USB4 連結,提供資料傳送與接收、編碼與解碼,電源管理,錯誤偵測回報及復原機制,並且透過 Sideband Channel 進行通道初始化的溝通,包括速度及雙通道溝通。
  • Electrical Layer:定義 USB4 電氣訊號的特性,如電壓、抖動、編碼等。

USB4 資料傳遞方式

foaf:image

這為USB4 傳輸路徑 USB4 Host 是將原始 USB3.2 封包經由 USB4 PAL (Protocol Adapter Layer) 封裝成 Tunneled 封包再由 USB4 Transport Layer、USB4 Logic Layer、USB4 Electrical Layer 轉 USB4 Link 傳送到 USB4 Hub Electrical Layer。再依上圖順序進行一連串 USB3.2/USB4 轉換,將訊號傳送到 USB4 Device。

foaf:image

透過上圖,可清楚理解DP協議由DP Source到DP Sink傳遞的完整過程。由DP Source端的PHY Electrical Sub-Block傳遞至下層Router的PHY Electrical Sub-Block,並由Router內的PAL轉換成USB4封包,繼續在Router內傳遞,直到底層DP Sink之前,才由前一層的Router將USB4透過PAL (Protocol Adapter Layer)轉換回DP協議,並經過PHY Electrical Sub-Block傳遞到DP Device。

foaf:image

PCIe傳遞過程與USB傳遞的方式類似。當Host內PCIe Controller送出PCIe的協議,由Host內部PAL對應PCIe中Logical sub-block傳遞而來的資料,經實體層Electrical Layer透過USB Type-C介面傳送至Hub。而Hub的上行口與Host下行口透過Electrical Layer對接,Hub裝置內的PCIe Switch同樣透過PAL對應到PCIe Switch的Logical sub-block;PCIe Switch內部分配後,透過Logical sub-block與Hub下行口的PAL對接,經Electrical Layer向Hub下行口的USB Type-C傳送至終端裝置端,最後於裝置端轉換為PCIe協議,送到裝置內需要PCIe訊號的部份。

USB4 / DP / PCIe 訊號連結路徑

foaf:image

USB4 協議產品支援

依據不同的產品應用,對於USB4支援也有所不同,依據下表可以明確知道, USB4 Host/ HUB / Device可以依據需求對於TBT3/4 , DP , PCIe 支援度可以做相對應的刪減

foaf:image

但是對於USB 傳輸率來說, 只要是USB4的 Host / HUB / Device, 最基本都要支援到20Gbps, 最高可達40Gbps.

foaf:image

USB4 Cable

如下圖所示, 傳輸率越高的規格線材應用就越短, 所以各家做Active cable and Electronically Marker廠商 紛紛加入爭取USB4 Logo 行列。另外USB4 也包含PD function , 充電模式(PDO)最高可高達20V / 5A =100W, 為避免線材品質較差傳輸大電流而發生危險, 所以USB IF才會定義Electronically Marker 宣告機制,只要傳輸電流高於3A 如果Cable 沒有Electronically Marker 宣告機制通知Host / Device PD Controller, PDO將會停在3A不會往上提升,如此則可避免燒毀Cable的問題。

foaf:image

USB4 vs USB3.2 主要差異

foaf:image

USB4是基於USB IF Type-C介面所定義的最新傳輸協議,整合了顯示、資料…等各項功能。相較於USB 3.2其傳輸速率不只提高到40Gbps,更加與PCIe、DP , Thunderbolt等協議相容, 並且支援主機到主機之間的溝通傳遞,USB4 and USB3.2 主要差異如上方表格所示。

USB4 支援傳輸率

USB4 支援 USB4 Gen2*2 = 20Gbps 以及 USB4 Gen3*2 = 40Gbps 速度,如果宣告支援 USB4 就一定要支援這兩個速度嗎? 依據前面的說明,這個答案是”不一定”。 如果是Host design or device design就不一定要支援這兩個速度,這就需要以客戶需求來制訂,可以兩種都可以支援或擇其一即可。對於USB4 Hub 與 USB4-Based Dock 來說,就必須同時支援 20Gbps 及 40Gbps。

 

USB4 傳輸速率最高可已提升到 40 Gbps,並且可以動態分享頻寬,當使用一條 USB Type-C 連接線就可以相容於市面上Thunderbolt 3/4 以及 Display 度讓桌面能更加簡單。

 

但是對產品的開發者來說,USB4 是一個相當大的一個挑戰,除了產品設計和以往 USB3.2 的產品在架構上的差異,必需要考慮到高速信號在 PCB 傳遞與連接器上的衰減,需審慎考慮選用高速訊號調整方案(Re-Driver or Re-Timer)來維持訊號強度與完整性, 另外也須更關注高頻阻抗匹配,以達到產品使用上的有效性。

MACNICA Galaxy USB solution.

我們代理的產品線眾多,在USB 相關領域的產品也相當齊全,請參考下圖。另外對於USB所搭配的Power solution, 我們也有完整的產品線可以支援,如瑞薩電子,MICROCHIP , ONSEMI ,SGMICRO…等。

foaf:image

參考文獻

USB-IF USB4 Spec.

 

USB-IF Type C Spec.

 

Genesys Product Roadmap

 

Google

 

VIA web side.

 

GRL web side.