深入解析Sine Amplitude Converter高效率電源模組在伺服器應用

因應21世紀高速網路與通訊的時代。隨著第五代行動通訊技術(5G)、人工智慧(AI)、伺服器(Server)、資料中心(Data Center)等技術不斷提升。對於設備上電力的需求以超過倍數的成長。能源不斷被消耗與溫室效應日趨嚴重下,如何節約能源與減低碳排放量對於提升電源模組效率便成了重要課題,如圖一所示,電力系統的傳輸大多都是都以高電壓HV來減少線的損失。

 

從台電發電廠百KV級的電壓供應並經長距離傳輸與多級變壓器升壓至345仟伏特(345kV)的超高壓,利用輸電線路輸送電力,透過個區域所佈建的超高壓變電所或一次變電所…等分別降壓為161仟伏特(161kV)、69仟伏特(69kV)後再經由變電所提供電給科學園區、工業區、高鐵和捷運等大型用戶用電,並透過配電變電所或二次變電所及配電系統再降壓至120伏特及240伏特或三相電380伏特分別提供一般用戶或民生用電。 

維基百科-電力系統的傳輸 圖一;圖片來源:維基百科

48V與12V伺服器比較

在所有電子產品的主板都需符合IEC/EN/UL61800-5-1 安全特低電壓線路SELV (Safety Extra-Low Voltage Circuit)  與IEC60950-21 TNV Circuits (Telecommunication Network Voltage Circuit)的前提下,使用的電力不應超過42VAC或60VDC規格。以高效率的伺服器為例,前端的電源轉換器市面上使用的有輸出48VDC與12VDC,以大型資料中心都是使用48VDC為架構圖二所示48VDC 與12VDC電源架構比較,輸入電源48VDC整體效率比電源12VDC還高2.8% 效率。另外線的銅損計算48VDC的電力線損失比12VDC的損失少了16倍,在電力總線數量也同樣降底了使用量,而在伺服器需要電力備源,48V電池也具備供應上的充足性與配置,比起12VDC的電壓使用更少的線徑達到相同之功率使用率,所以48VDC的伺服器會是往後未來的趨勢設計。 

48VDC電源架構比較表 圖二、電源架構比較表

VICOR BCM(Bus Convert Module)介紹

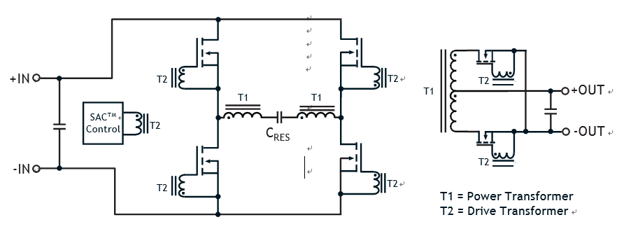
高效率資料中心的電源架構(圖三)從市電前端220VAC 經橋式整流後至PFC(Power Factor Correction)功率因素校正並升壓至384VDC來設計,使用VICOR BCM模組 K值比例8:1 輸出得到48VDC輸出之電壓,以效率點 T-Case Top(頂層殼溫)=85度,在384DC轉換48VDC 峰值效率都有達到 97.6% 的高效率(圖四)。由於是VICOR BCM SAC(Sine Amplitude Converter)全橋弦波振幅拓樸結構(圖五),使用BCM模塊大大降低了損耗並且在設計上縮減了產品的設計時間與提升功率使用率,因工作頻率在1.2Mhz高速低損失的正弦波切換,BCM內部變壓器與外部週邊的電感和電容在高頻工作下能驅使設計做到最小化並優化空間的使用率,這也是零散式線路設計上無法達到的瓶頸。 

電源架構 圖三
VICOR BCM6135CD1E5165yzz spec 圖四、VICOR BCM6135CD1E5165yzz spec
SAC全橋拓撲結構 圖五、SAC全橋拓撲結構

VICOR BCM SAC拓樸介紹

這裡就來說明以VICOR DC380V BCM6135模塊為特點如下

  • 定頻工作,一次側漏感在最小化正弦切換。
  • 一次側自然諧振頻率在接近零交叉點處進而減少切換開關功耗。
  • 1.2Mhz 一次側正弦波切換可使變壓器設計縮小並縮短暫態反應時間 。
  • 變壓器比例等比例8:1輸出,開迴路設計。
  • 電流或功率:65A,輸出電壓範圍32.5V~51.53V,峰值效率達到97.6%。
  • 功率密度3.4KW/In3,尺寸61.33mm*35.35mm*7.41mm。
  • 負載減小時,正弦波的幅度減小,空載條件下接近零。
  • 支援數位電源PM-Bus(電源管理總線)介面,實現數位電源化與監控。
  • 可雙向供電(Bi-Directional)。
  • BCM模塊可做並聯與串聯設計,模塊並聯可讓輸出電流增加,並聯平衡度誤差5%,透過MOSFET(Metal-Oxide-Semiconductor Field-Effect Transistor)輸出內阻阻抗做正溫度係數平衡,模塊串聯可讓輸出電壓增加,輸出限制達300VDC。

解析SAC 拓樸 (Sine Amplitude Converter)

SAC 是一種基於變壓器的串聯諧振拓撲,為固定頻率工作一次側的MOSFET為LC(電感電容)諧振頻率切換,並在接近零交叉點切換,大大降低開關損失與減少高頻諧波與EMI(電磁干擾)產生,切換波形為正弦波切換,而二次側的負載電流的增大,會導致一次側的電流流過LC諧振迴路的振幅增加(圖六),在暫態下一次側正弦波振幅增高後會在幾個切換週期內穩定下來。 

SAC 波形原理一 圖六、SAC 波形原理 1-1
SAC 波形原理二 圖六、SAC 波形原理 1-2

VICOR BCM並聯應用

在並聯的應用上如(圖七)ROUT(輸出阻抗)在BCM轉換器數據表中指定為一個範圍,並且具有正溫度係數的特性隨著模塊溫度升高ROUT 增加在一個陣列中就會減少流過的電流量並降低了模塊供應功率,而ROUT底的模組溫度相對較低就會承擔較高的電流,只要在散熱的方法需做到均勻冷卻就會有相當的平衡度來供應輸出,由於每顆的損耗功率與陣列中的相鄰單元相同,它將具有相似的 MTBF (平均故障間隔)特性。BCM 模塊陣列的額定功率等於單顆功率乘並聯數量,即使在理想情況下,通過陣列模塊電流將不相等,但因正溫度系數的關係,會讓溫度較低的模塊流過較高的電流,並且輸入和輸出阻抗設計好匹配,系統仍有相對的穩定度,但總功率切勿超過模塊的最大額定功率總合,以避免Rout輪流平衡時會超出單模塊的功率而觸發到保護點,所以在散熱技術上做到均熱平衡,這一點是相當重要的。

並聯等效阻抗 圖七、並聯等效阻抗 1-1
並聯等效阻抗 圖七、並聯等效阻抗

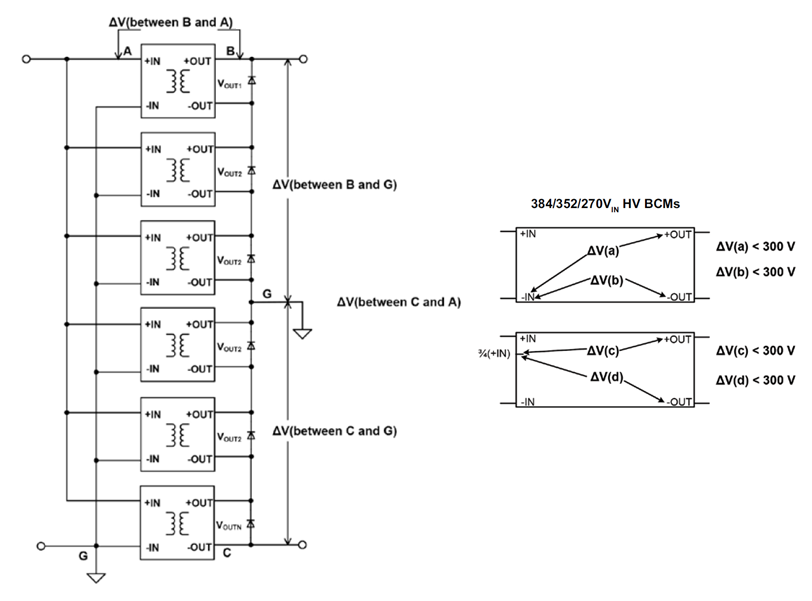
VICOR BCM串聯應用

BCM是隔離變壓器,所以在輸出上可做串聯的應用。在輸出限制上就如下(圖八),輸出的限制在+300VDC,而IN+與IN- 對OUT也都在300VDC的限制上主要是因為安規的問題需符合隔離度的問題,而且可配合相同輸入電壓與不同比例之BCM來應用,大大增加設計的彈性。

BCM串聯電路限制 圖八、BCM串聯電路限制

VICOR BCM 導熱設計

BCM在散熱設計正反兩面平面設計(圖十),所以在整體的散熱上就可以做到雙面散熱,熱阻分析模型如圖九。而模組的Top (正面)是與端子台熱阻是並聯來計算,Bottom (底部面)也是全平面設計利於散熱,在散熱片設計上若將Top 與Bottom 做接合,整體熱阻在做並聯計算,溫度可以再下降,這也是VICOR 在模組設計上的全方位考量,讓熱不只一個方向做導出而是雙面導熱,這也是改善了大多數的模塊只有單面散熱的問題,雙面散熱讓模組降底熱能並可提供穩定之輸出。

BCM Thermal Model 圖九、BCM Thermal Model
BCM模組 圖十、BCM模組

一個好的電源設計無論是在總體設計上達到高效率、體積小、散熱佳、雜訊低、壽命長與開發時間能夠符合上市時間,VICOR的電源模塊絕對符合工程師的首選。使用VICOR模塊在電源設計上都符各項設計,從電源輸入Front end (前端)到PoL(負載點),VICOR都具備了完整方案(圖十一),請在VICOR官網選擇你的電源解決方案或電洽茂綸來為你做設計服務。 

VICOR解決方案 圖十一、VICOR解決方案

參考文獻

1. Factorized Power Architecture and VI Chips, Vicor,  https://reurl.cc/kqK8bL

2. Google釋出48V資料中心設備電源架構方案 改善系統30%轉換能耗, Digitimes, https://reurl.cc/OEKR8X

You may also want to know