貫徹IEC62301趨勢 ZSP節能技術將實現零待機功耗

renesas-zsp

3C與便利的家電產品對於現代人是密不可分地,便利生活的同時,對於家電與電子設備用電的需求也越來越高,溫室效應也日趨嚴重。為了減少碳排放量,美國EPA(美國環保署)與DoE(美國能源部)共同贊助的Energy Star(能源之星計劃), Energy Star針對於電子產品與External Power Supply(外接式電源供應器)的節能規格,制定全球能見度最高的能源效率認證計劃,其中也將外接式電源供應器的產品的SP(Standby Power)待機功率納入認證項目之一。起源於1998年時隸屬DoE的LBNL(勞倫斯伯克利國家實驗室)提出了一個評估,單就美國一年的外接式電源供應器產品之待機功耗就佔據住宅用電的5%,以當時LBNL的估算,相當浪費30億美元的電力,是相當可觀的能源浪費。

 

IEC(國際電工委員會)也注意到了電子設備與家電產品的待機所形成的高度能源浪費,根據IEC 62301,只要測試單體的待機功耗小於5mW,就可被歸類為ZSP(Zero Standby Power)零功率待機。

 

ZSP”零功率待機”一詞是指電子設備在待機狀態下的功率消耗接近零的特性。這表示當裝置處於待機模式時,它所消耗的電力非常微弱,接近或達到零,從而減少對地球能源的浪費。實現零待機功率有助於節省能源、減少碳足跡,並提高電子設備的能效。這個概念通常應用於各種家電、電子產品和設備。

 

待機功率是電氣設備處於最低功率模式下所使用的功率,大多數插上交流電源的電器,即使透過遙控器或面板操作關閉電源,仍會持續消耗電力。事實上,表一顯示世界待機能源消耗的 7% 至 22% 來自家庭電子設備的待機功率。透過ZSP節能技術,我們能有效將待機功率損耗降至零,這將成為下一代電子設備的主要節能趨勢。

renesas-zsp 表1

IEC 62301中明確規定了待機和相關低功耗模式(包括關閉模式和網路模式)下功耗的測量方法。這些方法適用於電壓範圍全部或部分位於100VAC至250VAC的單相產品,以及其他產品的電壓在130VAC和480VAC之間的電氣產品。根據IEC 62301的規定,小於5mW的功耗測量值,可被歸類為ZSP(Zero Power Standby)零功率待機,這已成為電子設備和電器空載待機功耗的目標,並構成消費性電子產品達到待機零功耗的基礎。


大多數家用電器需要具有待機電源的偏壓支援整個系統,通常系統控制器運作於3.3V或5V,而電源模組則需要12V。在圖1中,展示了一個30W輸出偏壓電源參考設計,其零待機功耗僅為3mW。此設計提供12V隔離電源輸出,在待機模式下實現極低功耗:在115VAC輸入時,功耗僅為1.5mW,而在230VAC輸入時,功耗為3mW。這個參考設計特別適用於需要極低待機功耗、高效率和故障保護的隔離型電源系統。

renesas-zsp 圖1

一般而言,實現零功率的傳統方法是使用機械開關或是繼電器來切斷主電源迴路。但這種方法也切斷 Wi-Fi 、藍芽或任何觸控面板的電源,使得系統無可用的待機電源。

 

通常希望在需要電器工作時可以喚醒系統。圖 1 中的參考設計可使得電源模組實現零待機功耗。它的設計保留了電源模組最小的待機能力,例如微控制器 (MCU)、觸控鍵控制器、任何感測器、Wi-Fi、驅動器或任何其他電路區塊的待機能力,電源模組也需要處於深度睡眠狀態,並允許通訊喚醒選項。據此,電源模組可以將系統用電分為三個部分:「待機模式」和「正常工作」以及「深度待機模式」。

 

根據系統負載配置,電源模組有三種設計電源的選項。對於ZSP選項於圖 2 顯示了具有通訊CC1配備的單電源系統的框圖。

renesas-zsp 圖2

正常運作期間對於系統最大負載下,電源模組正常工作僅藉由模組本身RENESAS的初級控制器iW9860與次級控制器iW770連接的光耦合回授控制於65KHz頻率工作,當系動負載達到極小的狀態下,電源模組將進入到待機模式,此時的電源模組將以變頻方式降頻工作25kHz,並進入到間歇工作以維持系統所需電力,供給系統電力如微控制器 (MCU)、觸控鍵控制器、任何感測器、Wi-Fi、驅動器等區塊電路所需電力。

 

若系統可將電路區塊與周邊合作電路切斷並進入到微控制器 (MCU)睡眠模式之下,當微控制器發出CC1偏置信號要求進入ZSP mode後,如圖三所示,電源模組將長時間的進入到深度待機模式,電源模組將本身待機功率降到<5mW,合乎IEC 62301 的規定,小於5mW的功耗測量值,可被歸類為ZSP(Zero Power Standby)零功率待機,電源模組可藉由CC1偏置信號要求喚醒,電源模組將快速的恢復深度待機下被停止或降額工作的電路,並恢復到電源模組的正常工作狀態。

renesas-zsp 圖3

電源模組在深度待機ZSP mode期間功率損耗見表二,RENESAS初級控制器iW9860為了降低高頻功率損耗,控制器設計使以變頻控制,在深度待機模式ZSP mode下僅僅工作在10Hz頻率下,大大降低操作頻率造成的功率損耗,係以維持電源系統所需的最低運作,總功率消耗僅3mW。

renesas-zsp 表2

在電源模組設計上必須考慮到整體在深度待機模式ZSP mode 下,各區塊電路的功耗,首先電源模組對抗低頻電磁干擾(EMI)濾波器電路通常會使用X-capacitor進行濾波,然而X-capacitor對待機功率消耗是非常不利的,0.1uF的X-capacitor功率消耗在實際測試下約能達到3mW,故在ZSP電源模組的設計上就得捨去X-capacitor,EMI 低頻方面就必須改為Common-Choke 來做適當的處理, 濾波器與各級處理濾波整流的電容器也需要考慮漏電流造成的功率損耗。

 

必須要由外部CC1信號進行溝通使電源模組進入深度待機模式ZSP mode,初次級IC的功耗也扮演重要的角色,如表三所示,一般IC在正常工作時的工作電流約1~10mA不等,IC在深度待機時必須要將工作電流降到50uA~100uA左右。

renesas-zsp 表3

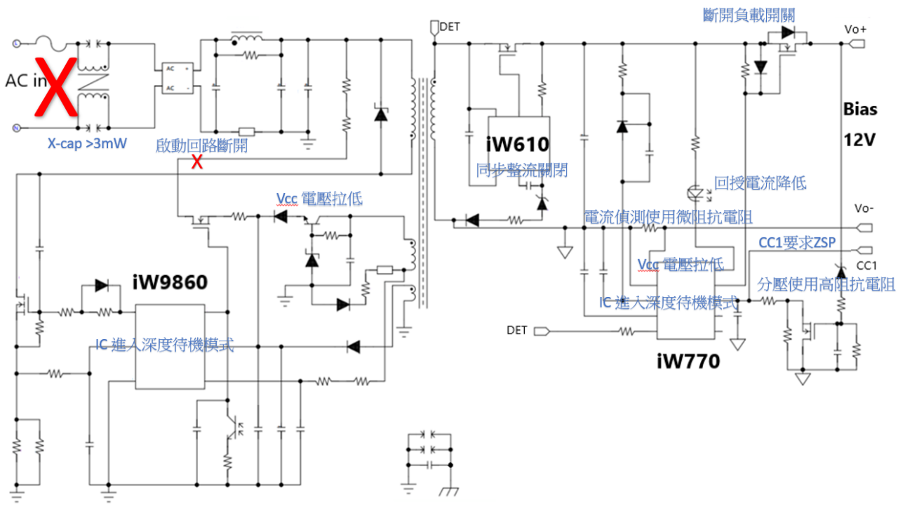
見圖四,達成ZSP對於整體電路而言有以下設計重點:

  1. 初級控制電路,必須切斷啟動迴路, 改由變壓器輔助供電,Vcc供電電壓也要降低<10V,以維持電源基本運作,並注意Vcc穩定在UVLO(Under Voltage Lock Out)之上,並注意各迴路電阻的耗電,降頻工作於<10Hz。
  2. 次級迴路,設計分壓電阻使用高阻抗,電流偵測電阻使用微阻抗,接收CC1信號進度深度待機模式ZSP mode,關閉輸出開關與二次同步整流, 通訊IC同時進入ZSP mode, 拉低光耦合器電流,並維持通訊所需之穩定電力,用於喚醒功能。
renesas-zsp 圖4

待測試的電源模組在ZSP狀態下測試待機功耗如圖五,由於空載功率值非常的小,我們經常在熱機約30分鐘後,將輸出的電壓表以及負載斷開,並經由CC1通訊令待測物進入ZSP,由於待測物消耗功率太小且不穩,也有些待測物可能本身會不時切換操作模式,導致輸入功率變動例如間歇工作或是跳頻工作模式,這種情況下,量測方式或儀器可能不適用,這可能會對測試結果產生影響。

renesas-zsp 圖5

IEC 62301提出了以下量測ZSP方法:

  1. 平均功率法(Average power approach):使用者可以設定在某段時間內記錄平均功率,時間設定應大於5分鐘。
  2. 能量累積法(Accumulated energy approach):使用者可以設定在某段時間內計算累積的能量,然後除以時間以得到功率。時間設定應大於5分鐘,累積能量應大於200倍的解析度。

事實上在測試時使用的Power meter功率計,大多是使用硬體乘法器來測量功率,這並非真正的平均功率,架設功率計時建議使用能量累積法進行測量,並注意包含DC成分的訊號。

 

IEC 62301中指出:有些輸入電流上的週期不平衡,必須將DC也考慮進累積,才能獲得相應正確的測量值,實際公式如下:

renesas-zsp

請注意功率計如果會將DC成分濾除, 那麼可能會導致量測不準確,進而產生較大量測的誤差,測試時建議測試的積分時間至少超過15分鐘,獲取的測量值相對較為準確。

 

圖6標明了電源模組使用RENESAS的初級控制器iW9860與次級控制器iW770,在輸入電壓110VAC時,待機功耗1.5mW,當輸入電壓為230VAC時,待機功率為3mW。因此,該系統的待機功耗低於 5mW,可以符合IEC62301 之ZSP零功率待機要求,實現ZSP“零功耗待機”之節能技術。

renesas-zsp 圖6

結論

RENESAS 獨特的 ZSP 技術以高效的節能為特色,為所有的電器用品大大降低待機所需的功率幾乎近零,為實現未來 2050 年的炭中和和淨零碳排放目標,做出了積極的貢獻。這項技術不僅使得節能減碳成為可能,同時也實現了不必拔插頭即可節省能源的效果。在致力於消除溫室效應,實現地球永續發展的過程中,RENESAS的 ZSP 節能技術為我們的下一代貢獻了一份卓越的環保力量。

參考文獻

You may also want to know