窺探低軌衛星設計的神秘面紗

低軌衛星設計

衛星市場與你的距離

蘋果(Apple Inc.)公司在2022年秋季新品發表會宣布,全體iPhone 14系列都已配備由Globalstar衛星公司支援的SOS訊號服務,緊急衛星連線功能,可讓用戶在深山等沒有行動訊號的地區發送SOS訊號。並且在2022年底前為美國、加拿大客戶提供手機直接連線衛星的服務。

 

高通(Qualcomm Inc.)公司則於2023年美國拉斯維加斯消費電子展 (CES)發表「驍龍衛星」(Snapdragon Satellite),專為高階智慧機設計的衛星訊息收發解決方案。並宣布與美國低軌道衛星營運商Iridium Communications Inc.結盟,攜手為高階的Android智慧機提供衛星傳訊服務。

 

實業家馬斯克( Elon Musk ) 的太空服務公司 SpaceX 也與各方洽談合作機會,期待未來也能使用公司的星鏈 (Starlink) 衛星網路,服務廣大手機用戶。近期最讓人熟悉的衛星應用,就是星鏈 (Starlink) 網路系統在烏克蘭戰事發生期間,基礎設施毀壞的情況下,部屬衛星接收器並可提供約140Mbps的網路下行連接服務,也讓世人對於全域覆蓋的網路服務更加期待。

衛星分類

依照人造衛星繞行地球軌道的高度分類:

1. 高軌道衛星(HEO): 運行高於35768公里高空。

2. 地球同步軌道衛星(GEO): 運行於地球靜止軌道,約35768公里高空。繞行一圈需24時。

3. 中軌道衛星(MEO): 運行於中地球軌道,約2,000~30,000公里高空。例如導航衛星,繞行一圈大約12小時。

4. 低軌道衛星(LEO): 運行於低地球軌道,約300~2,000公里高空。例如太空站,繞行一圈大約90分鐘左右。

低軌衛星

應用於各軌道上的人造衛星,如科學研發衛星,通訊衛星(電視、網路與廣播),GPS導航衛星,氣象衛星,遙測衛星等,更是早早融入你我的生活資訊當中,且是不可缺少的一環。

低軌衛星的發展與機會

近年來發展最讓人期待的莫過於低軌道衛星的建置與服務。我們知道國際太空站在一個距離地球表面約340公里的低地球軌道上運行,速度大約是每小時27400公里, 也就是繞地球一圈的時間大約在90分鐘左右。以一般地面對星空的可視角度再加上低軌衛星與地球角速度上的不同來看,不到30分鐘的時間,衛星即在你我的上方星空呼嘯而過。所以需要在軌道上建置一組衛星聯網去提供連續的訊號覆蓋。目前全球四大營運商,有美國SpaceX的Starlink、英國和印度的OneWeb、美國的Project Kuiper以及加拿大Telesat。其中Starlink的衛星發射量與全球覆蓋率則占據了極大的優勢與比率。

 

根據國際電信聯盟(International Telecommunications Union, ITU)報告指出,全球非都會區的寬頻網路涵蓋率不足,約有30幾億人沒有光纖網路可以使用。加上衛星網路(Satellite Internet)被視為是網路基礎建設困難的地方,或海空移動載具等特殊應用場景的主要通訊解決方案。然而衛星產業中包括衛星的製造、衛星發射服務、衛星地面設備、衛星服務等,四大發展領域。我們的機會已悄然出現。

低軌衛星地面設備

其中我們先來一窺衛星地面設備的基本組成,包括:

1. 波束成型(Beamforming)與相位控制介面: 用來作為衛星訊號的跟蹤、傳送與接收。

2. 印刷電路板: 用來承載電路設計與訊號傳輸。

3. GPS: 用來提供地面設備目前所坐落的位置訊息,以便快速鎖定衛星軌道。

4. 馬達控制系統: 用來控制與旋轉地面設備的方向。

5. 有線或無線網路介面: 衛星訊號經轉換之後,用來與一般網路訊號連接。

6. 電源系統與傳輸纜線: 以提供地面設備的運作電源。

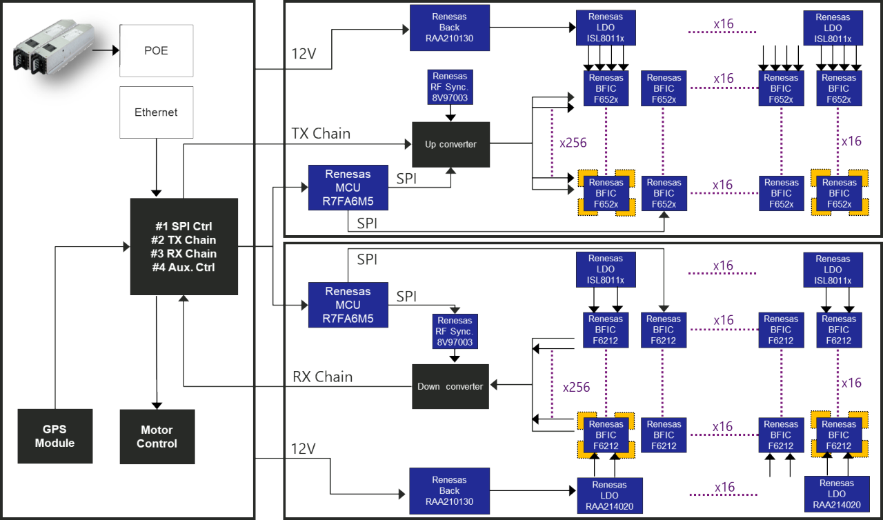
系統架構示意圖 系統架構示意圖
瑞薩Beamforming方案 瑞薩Beamforming方案

訊號連接關鍵技術-波束成型與相位控制

前文提到, 低軌道衛星在太空軌道上,快速的移動運行。如何將訊號傳送到幾百公里外的衛星、如何同步跟上不同軌道上的衛星的移動速度並做有效的訊號傳輸更是一大課題。首先,我們先來想像一下,如果光線像燈泡一樣向四面八方輻射,照射的範圍廣但是照射距離卻有限。如果光線都朝同一方向照射,就成了有方向性的光束,就像手電筒的照射範圍集中且照射距離也相對較遠。和光束一樣,當所有電磁波的傳輸方向都一致時,就形成了波束。且越多的同向波組合則波束能量越強,傳輸的距離就越遠,只要方向也控制正確,就能準確捉住目標。

 

衛星與地面接收天線的距離非常遠,信號衰減非常大,於是衛星訊號到達地面時能量已經非常小。我們需要設法收取衛星發出的每一點信號能量,為了訊號傳輸的效率與避免能量浪費,我們在接收與發射衛星訊號時,都會使用波束。這樣,發射的電磁波信號都集中在一個方向上,就可以接收到盡可能多的信號。而最基本形成波束的方法則是使用輻射方向性很強的天線,然而此類天線體積很大,很難安裝在終端設備上。另外,波束成型需要可以隨著接收端與發射端之間的相對位置而改變波束的方向。傳統單一天線形成的波束需要轉動天線才能改變波束方向,而這在快速移動的低軌衛星應用中,顯然不可行。因此,實用的波束成型方案即是選用智能天線陣列。

波束控制 Beam Steering 波束控制 (Beam Steering)

在波束成型中,我們有許多個電磁波源即天線陣列,通過仔細控制波源發射波之間的相對延時與幅度,可以做到將電磁波的能量都集中在訊號接收的一個方向上,而在其他地方電磁波能量則很小,即可有效率的針對目標接收器傳輸並減少對其他接收器的干擾。

   

此外,天線輻射的方向亦可透過控制波源發射波之間的相對延時與幅度來實現,可以輕鬆跟蹤發射端和接收端之間相對位置的改變。波束成型的應用除了低軌衛星通訊之外,毫米波波長更適合波束成型應用並整合到手機或小型基地台中,使信號的能量集中在接收端所在的方向,從而改善頻譜利用效率。波束成型配合毫米波技術可以讓通訊系統擁有高頻寬並且支持大量用戶同時通訊,從而使5G甚至未來的6G系統如虎添翼。

 

以Starlink 的衛星收發設備來看,要達到與衛星通訊的波束能量,甚至需要上千個天線集合而成,也就是說需要幾百顆天線陣列控制晶片的數量要集合在一片板子上面,並調整與控制出所需要的波束方向與跟隨衛星的角度變化。

 

工程之浩大,不得不細心考量所選擇的控制晶片的相關設計細節。

  • 天線饋入的參數,關係到訊號的衰減與靈敏度,是否有辦法將微弱的訊號清楚接收。
  • 晶片尺寸與針腳位置,考量微小天線之間的訊號品質、干擾隔離與佈線的難易程度,並優化天線佈局。
  • 每顆波束成型晶片可控制的通道數量、相位與增益的建立時間是否足夠快速。
  • 是否提供與建立波束狀態存儲器與快速控制模式。
  • 是否整合溫度感測元件,自動依照不同溫度變化做相應補償校正。
  • 晶片控制介面以及同時可控制晶片的數量是否足夠多。
  • 印刷電路板的參數特性是否符合低軌衛星頻段的相關要求。

在瑞薩公司所提供的方案中,可以看到利用同一組天線、同一顆晶片可提供兩組波束(Dual Beam)的選項,經由不同的設計方式可以是增加訊號增益或是與不同衛星做訊號傳輸,大大的增加成本效益與設計靈活度。

Rx Active Beamforming IC 瑞薩Beamforming方案
TX Active Beamforming IC TX Active Beamforming IC
summary

經過這些評估考量之後,我們基本可以將矽控陣列天線在印刷電路板或陶瓷基板(LTCC, Low-Temperature Cofired Ceramics)上實現。後續將這些訊號透過鎖相迴路、射頻處理器、數位處理器等轉換成我們需要的資訊,由網路介面傳輸到我們的家裡,即可完成。

參考文獻

1. Phased Array Beamformers, RF Beam Steering ICs, Renesas, https://reurl.cc/xl6kvE

2. 波束賦形, 維基百科, https://reurl.cc/OVjer9

3. 低軌道, 維基百科, https://reurl.cc/Y80nYo

You may also want to know